品牌:dmh
型号:MJ2060-1P
材质:PA9T+磷铜
使用线径:24-18AWG
起订:1000件
供应:250000000000件
发货:3天内
深圳市孟京科技有限公司 联系人:陈小姐 电话:13421366133 主营产品:LED贴片端子 SMT连接器 SMD端子 照明并线端子 PCB插件端子 双向连接器端子 布线接线器




种 类 名 称 参 数
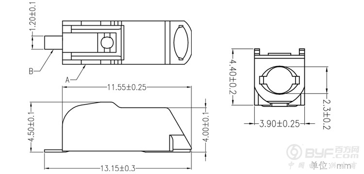
产 品 名 称 LED贴片端子
产 品 型 号 MJ2060-1P
产 品 颜 色 米黄色
长 度 13.15mm
宽 度 3.9mm
高 度 4.5mm
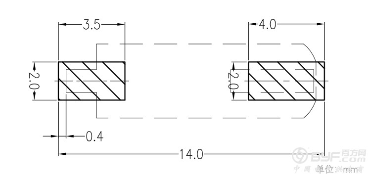
间 距 4.00mm
重 量 0.2g
极 数 1
电 流 6A
电 压 250V
耐 电 压 800V AC/minute
接 触 电 阻 ≤20mΩ
绝 缘 电 阻 ≥800mΩ
连 接 方 式 CAGE CLAMP (笼夹)
污 染 等 级 III
绝 缘 材 质 PA9T
触 点 材 质 磷铜
表 面 处 理 镍底雾面锡
触 点 镀 层 镍底雾面锡
使 用 线 径 24-18AWG(0.2-0.75mm²)单股线或多股线镀锡
剥 线 长 度 6-9mm
多 股 导 线 剥线表层镀锡0.5mm²
工 作 温 度 -25℃~+105℃
拔 插 力 1.5kgf
安 装 方 式 SMT表面贴装
贴片端子
LED灯具贴片端子
SMD贴片连接器
回流焊耐温贴片端子
PCB铝基板贴片端子
2059接线端子
2060贴片连接器
2061贴片端子
板对线灯条连接器
五金贴片接线端子
