分享好友
产品中心首页
频道列表
1/5
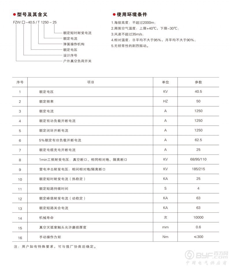
FZW-40.5系列户外高压隔离真空负荷开关
2021-03-01 15:50
0询价
价格:
¥0.00
/件
发货:3天内
举报 0
收藏 0
评论
0
分享
27
联系方式
请登录查看
GNF38-12系列户内高压隔离开关
六高电气科技有限公司
0询价
面议
JN22-40.5.31.5系列户内高压接地开关
六高电气科技有限公司
0询价
面议
RW12-15跌落式开关
六高电气科技有限公司
0询价
面议
RW11-12跌落式开关
六高电气科技有限公司
0询价
面议
FZW-40.5系列户外高压隔离真空负荷开关
六高电气科技有限公司
0询价
面议