分享好友 产品中心首页 频道列表
1/5
上海安科瑞研发环保监测模块2路三相ADW400-D10 2S图1

上海安科瑞研发环保监测模块2路三相ADW400-D10 2S

2020-03-12 08:130询价
价格:未填
品牌:安科瑞
发货:3天内
 1 产品介绍
功能:
ADW400环保监测模块主要用于计量低压网络的三相有功电能,同时可选择四个回路的电流输入,具有RS485通讯和470MHz无线通讯功能,方便用户进行用电监测、集抄和管理。可灵活安装于配电箱内,实现对不同区域和不同负荷的分项电能计量,统计和分析。

 

应用范围:
ADW400方便用户进行用电监测、集抄和管理,特别适合环保监管类的厂区智能监管改造项目,可广泛应用于化工厂、制药厂、钢铁厂、厂等产污制污的工厂。

 

订货范例:
具体型号:ADW400-D16--4SX
技术要求:3×1.5(6)A、3×20(100)A、 3×40(200)A、3×80(400)A、3×120(600)A
通讯协议:RS485通讯;红外通讯;470MHz无线传输
2 技术参数
undefined
 
3 产品选型
undefined
 
4 外形尺寸
ADW400尺寸图:
undefined
 
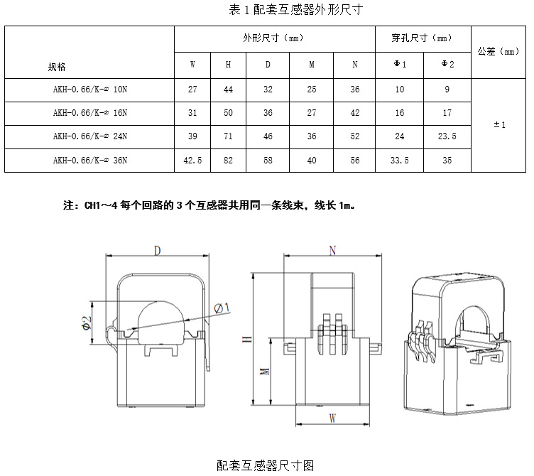
配套互感器外形尺寸:
undefined
举报 0
收藏 0
评论 0
联系方式


请登录查看