分享好友
产品中心首页
频道列表
1/5
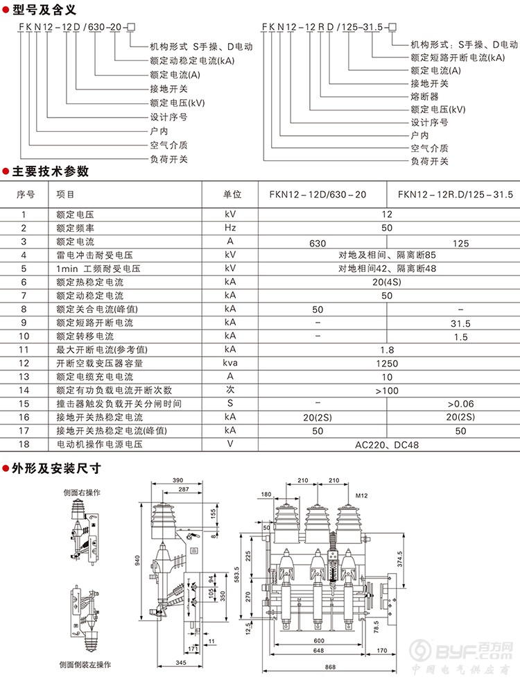
FKN12-12高压负荷开关
2019-08-12 11:11
0询价
价格:未填
发货:3天内
举报 0
收藏 0
评论
0
分享
46
联系方式
请登录查看
ZW32-12(G)户外高压真空断路器
浙江升源电力科技有限公司
0询价
面议
FKN12-12高压负荷开关
浙江升源电力科技有限公司
0询价
面议
GCK低压抽出式开关
浙江升源电力科技有限公司
0询价
面议
低压配电型氧化锌避雷器
浙江升源电力科技有限公司
0询价
面议