分享好友 产品中心首页 频道列表
1/5
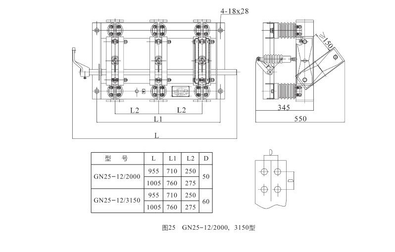
GN24-12D/1600A户内交流高压隔离开关图1

GN24-12D/1600A户内交流高压隔离开关

2025-07-14 17:270询价
价格:¥4007.00/台
品牌:河南森源
额定电压:12kV
额定电流:1600A
产品型号:GN24-12D/1600A
起订:1台
供应:100台
发货:15天内
 undefined
undefined
undefinedundefined
undefined

undefined
0_01.png
0_02.png
0_03.png
0_04.png
0_05.png
0_06.png
0_07.png
0_08.png
0_09.png
0_10.png
0_11.png
举报 0
收藏 0
评论 0
联系方式


请登录查看