分享好友
产品中心首页
频道列表
1/5
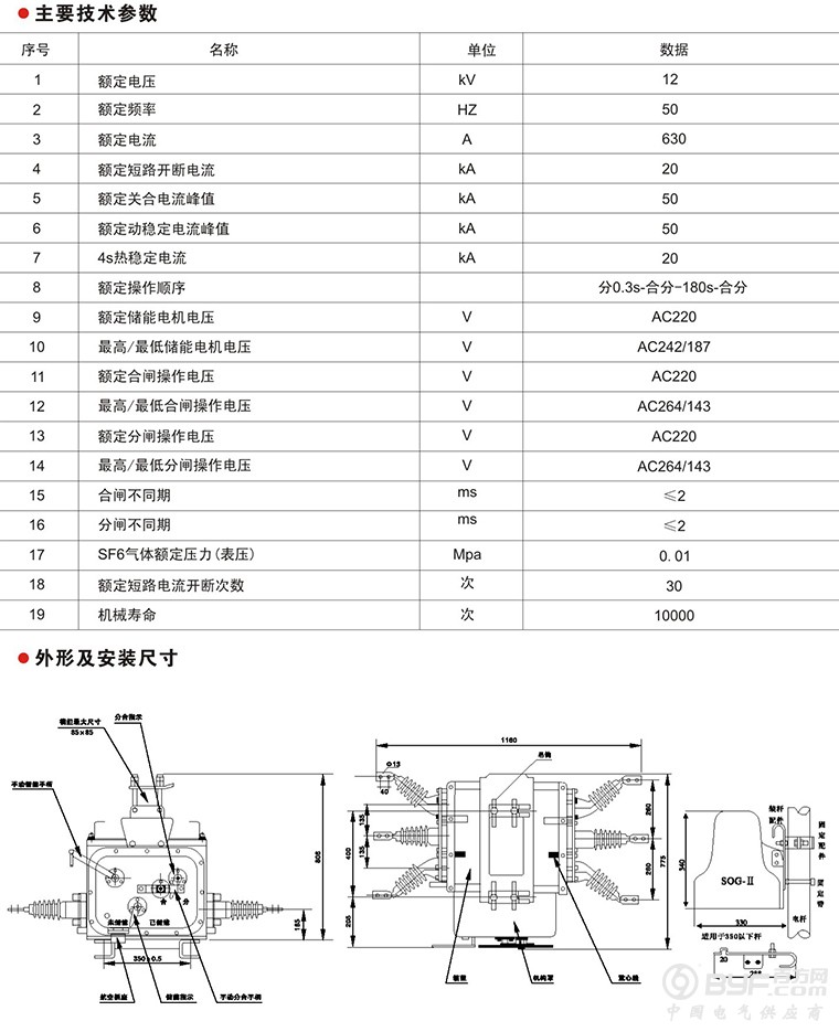
ZW20A-12系列户外高压真空断路器
2018-11-16 13:40
0询价
价格:未填
品牌:转折点电力
发货:3天内
举报 0
收藏 0
评论
0
分享
16
联系方式
请登录查看
ZW32□-12系列户外智能(永磁)真空断路器
浙江转折点电力科技有限公司
0询价
面议
ZN63(VS1)-24kV系列24kV户内高压真空断路器
浙江转折点电力科技有限公司
0询价
面议
ZN63(VS1)-12系列户内高压真空断路器
浙江转折点电力科技有限公司
0询价
面议
VS1-12M系列户内高压永磁真空断路器
浙江转折点电力科技有限公司
0询价
面议
FZRN25-12D户内(连体式)高压真空负荷开关
浙江转折点电力科技有限公司
0询价
面议
ZW20A-12系列户外高压真空断路器
浙江转折点电力科技有限公司
0询价
面议