品牌:佰利鑫
灵 敏 度:2.0±0.2%(mV/V)
非 线 性:0.03% F.S
滞 后:0.03% F.S
起订:1台
供应:1000台
发货:3天内
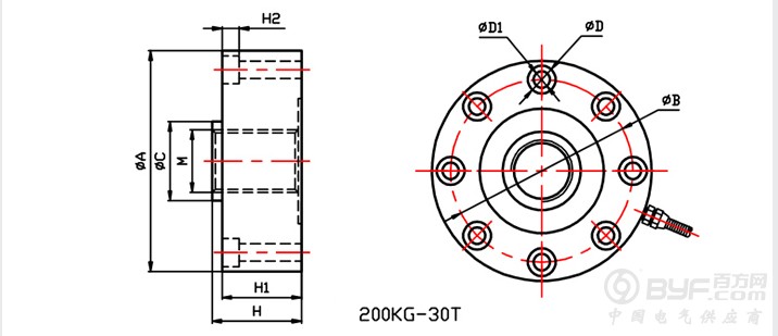
潍坊8孔轮辐式称重传感器拉压力合金钢传感器非标定做 称重200kg5T10T
八孔拉压力轮辐常规量程单只全国包邮,量大更优!!绝对厂家直销!!性价比全网高!接受定做!需要其他规格称重传感器!




抗偏载 轮辐式拉压力 可配放大器
60T以下量程为现货,超过60T的大量程及非标定做请联系客服
该传感器采用剪切应力原理,轮幅式弹性体,具有低外形、抗偏载、精度高、强度好等特点,广泛用于工业系统中力的测量和天车秤、轨道衡、广泛应用于拉压力试验机,配料秤,料斗秤等各种电子自动称量
轮辐式称重传感器特点:
1.轮辐式传感器,优质合金钢材质
2.安装简便、快速,稳定可靠,适用于实验机、汽车衡、大型料斗秤等
轮辐式称重传感器技术参数:
|
额定载荷 |
1~30(t) |
输入阻抗 |
800±10 Ω |
|
|||
|
灵 敏 度 |
2.0±0.2%(mV/V) |
输出阻抗 |
700±2 Ω |
|
|||
|
非 线 性 |
0.03% F.S |
绝缘电阻 |
≥5000 Ω |
|
|||
|
滞 后 |
0.03% F.S |
激励电压 |
9~12 VDC |
|
|||
|
重 复 度 |
0.02% F.S |
温度补尝范围 |
-10 ~ +40 ℃ |
|
|||
|
蠕 变 |
0.02% F.S/30min |
允许使用范围 |
-20 ~ +55 ℃ |
|
|||
|
零点温度影响 |
0.03% F.S/10℃ |
安全过载范围 |
150% F.S |
||||
|
灵敏度温度影响 |
0.02% F.S/10℃ |
极限过载范围 |
200% F.S |
||||
|
零点输出 |
±1% F.S |
接线方式 |
输入:红(+) 黑(-) |
||||
|
输出: 绿(+) 白(-) |
|||||||
