品牌:AKM
电压:4.5——18V
极性:单极
封装:TO-92S
起订:3支
供应:1000000支
发货:1天内
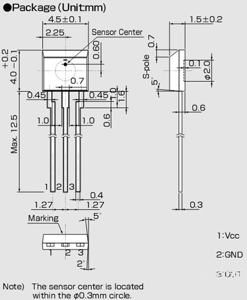
EW-550,单极插片霍尔开关元件,印字W50,所属品牌AKM。为EW450的插片封装。EW550具有电源电压范围宽(4.5-18V),工作温度宽(-20—115),开关速度快,无瞬间抖动,工作频率宽(0-100KHZ),寿命长,安装方便,能直接和逻辑电路接口等特点,广泛的应用于高温性能直流散热风扇,速度检测,跑步机,水表,电动车刹把等各种工控行业。

EW-550,单极插片霍尔开关元件,印字W50,所属品牌AKM。为EW450的插片封装。EW550具有电源电压范围宽(4.5-18V),工作温度宽(-20—115),开关速度快,无瞬间抖动,工作频率宽(0-100KHZ),寿命长,安装方便,能直接和逻辑电路接口等特点,广泛的应用于高温性能直流散热风扇,速度检测,跑步机,水表,电动车刹把等各种工控行业。
