品牌:神舟珠峰
公称压力:0.4MPa
连接方式:螺纹连接 法兰连接
公称通径:DN10-DN80
发货:3天内
一、概述
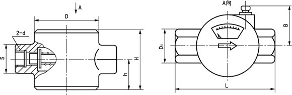
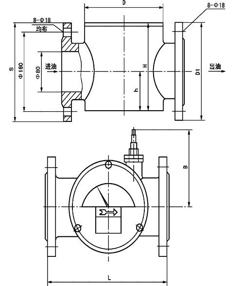
YXQ-II型油流信号器用于稀油润滑系统。通过它可直观地观察到油流大小,并可通过其发讯装置发出油量不足或 断流信号,从而实现远距离监视或控制,适用介质为粘度等级 N22~N460 的润滑油。 通径 DN10~DN50 为螺纹连接,DN80 为法兰连接。 公称压力为 0.4MP
二、技术参数及外形尺寸
型号 | 公称通径 | 公称压力 | 连接螺纹 | L | D | H | h | B | D1 | S | 重量 |
YXQ-10II | 10 | 0.4 | G3/8 | 136 | 80 | 71 | 30 | 75 | 47.3 | 41 | 2.1 |
YXQ-15II | 15 | 0.4 | G1/2 | 136 | 80 | 71 | 30 | 75 | 47.3 | 41 | 2.1 |
YXQ-20II | 20 | 0.4 | G3/4 | 136 | 80 | 71 | 30 | 75 | 52 | 47 | 3.5 |
YXQ-25II | 25 | 0.4 | G1 | 160 | 100 | 96 | 35 | 85 | 60 | 52 | 3.8 |
YXQ-32II | 32 | 0.4 | G11/4 | 160 | 100 | 101 | 40 | 85 | 66 | 58 | 4.2 |
YXQ-40II | 40 | 0.4 | G11/2 | 190 | 110 | 101 | 45 | 90 | 76 | 66 | 4.5 |
YXQ-50II | 50 | 0.4 | G2 | 200 | 110 | 112 | 50 | 90 | 92 | 80 | 4.8 |
YXQ-80II | 80 | 0.4 | 法兰 DN80 | 260 | 170 | 190 | 80 | ~140 | φ 200 | φ 200 | ~9.8 |
YXQ-10-50II油流信号器外形尺寸图

YXQ-80II油流信号器外形尺寸图

三、型号说明

四、电气参数
| 通径 | DN10~50、80 | |||
| 参数 | ||||
| 开关型式 | 交流二线制90~250V | 直流二线制10~30V | 直流三线制6~30V(NPN型) | 直流三线制6~30V(PNP型) |
| 应用场合 | 带动交流线圈、交流信号灯等 | 带动直流线圈、直流信号灯等 | 输入PLC(输入模块为NPN型) | 输入PLC(输入模块为PNP型) |
| 输出形式 | 常开 | 常开 | 常开 | 常开 |
| 输出电流 | 3~100mA | 5~40mA | 0~200mA | 0~200mA |
| 漏电流 | 1r≤2mA | 1r≤0.8mA | 1r≤0.4mA | 1r≤0.4mA |
| 开关压降 | Ud≤3V | Ud≤3V | Ud≤0.1Vcc | Ud≤0.1Vcc |
| 接线图 | ||||
五、注意事项
1、油流方向必须与油流信号器指示方向一致;
2、开关必须通过负载后接至电源,如直接接至电源将造成开关击穿损坏。
3、开关输出如果需要常闭形式或输出电流有特殊要求应有定货时注时,用户在订货时如不注明接近开关型式,则 配置 PNP 型直流三线制接近开关。
4、选型时必须根据电器参数表中的应用场合选型。
六、接近开关输出形式
a、直流三线型 10-30VDC。其静消耗〈5mA,输出电流≤ 200mA,输出压降≤ 1.5VDC,响应频率 ≤ 300Hz。
b、直流二线型 10-30VDC。其静消耗〈1mA,输出电流≤ 100mA,输出压降≤ 5VDC,响应频率≤ 300Hz。
c、交流二线型 90-250VAC。其静消耗〈2mA,输出电流≤ 300mA,输出压降≤ 8VAC,响应频率≤ 30Hz。
七、注意事项说明
1.只有当系统断流或者说是油液接而不断地通过油流信号器,才能使发讯装置能正确地发出信号,否则不能实现 发信功能。
2.安装油流信号器应看清其油流方向,并且水平放置,不能垂直安装,更不能倒置。
3.相对应的连接外螺纹长度不能大于本信号器体的内螺纹长度,一般不得超过 16mm,以防外接螺纹与信号器体阀 芯发生顶撞,从面影响使用效果。
4.关于指针零位概念作一说明:这就是说系统内不存在压力(或者说是完全卸负)的情况下,指针回复趋于零,
当系统(油流信号器进口的前端)存在一定的压力,甚至是很小值,那么指针有一定的读数,这一点,务请用户引起 理解!
