品牌:神舟珠峰
压力范围:3.5~20MPa
出厂调定压力:15MPa
行程开关:TZ-7310
发货:3天内
一、产品简介
DR4-5型液压换向阀主要用于双线终端式集中润滑系统中,把泵输出的润滑剂交替送向两条供油主管。直接由换向阀出口压力控制换向,换向压力可以通过调压螺帽在3.5-20MPa范围内进行调整(顺时针旋转换向压力升高,逆时针旋转换向压力降低)。该阀结构简单、换向可靠、使用方便。
![]() |
二、技术参数
| 型号 | 压力范围 MPa | 出厂调定压力 MPa | 行程开关 | 重量 Kg |
DR4-5 | 3.5~20 | 15 | TZ-7310 | 9 |
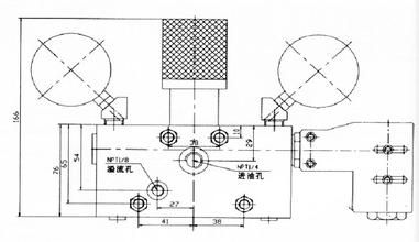
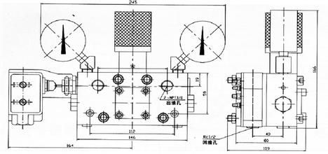
三、外形尺寸

四、工作原理

阀的油腔通道如图1所示,此时调压弹簧的作用力经拨块作用在活塞1上使活塞1处于阀体左侧。活塞1及活塞2两端分别与出油口1及出油口2相通。压力油从进油口进入活塞3的两个腔,其中左边腔中的压力油经出油口1流出,同时压力油经活塞1内腔道作用在活塞3左端,使活塞3处于阀体右侧,此时活塞3右侧与回油口相通。右边腔内压力油被活塞2封死。
当活塞1左端压力(出口压力)克服弹簧对活塞的作用力后,活塞1右移,同时活塞2右移(图2)。当活塞1、活塞2移到阀体右端后,活塞3左侧与回油口通,压力油经活塞2内腔道作用在活塞3的右侧,推动活塞向左移动到达阀体左侧(图3)。此时活塞3右腔内压力油经出油口2流出,而左端的压力油被活塞1封死。当活塞2右端压力(出口压力)克服弹簧对活塞的作用力后,活塞2左移,同时活塞1左移。当活塞1、活塞2移到阀体左端后,活塞3右侧与回油口通,压力油经活塞1内腔道作用在活塞3的左侧,推动活塞3向右移动达阀体右侧(图1),完成一个工作循环。
如果检测液压换向阀的换向状况,可以在阀上安装换向发讯开关,将换向阀的换向讯号传递给电气控制系统。在现场工作人员还可以通过观察指示杆的动作来了解换向阀的工作情况。
五、使用要领
请在流量100~250ml/min之间进行使用,严禁使用于高压大流量系统。

