品牌:ELITECHIP
工作电压:2.2-5.5V
型号:88BC-C10F
封装:SOP-14
起订:3000PCS
供应:10000000PCS
发货:3天内

88BC-C10F 按键12定时模式-遥控定时IC芯片
一、功能应用:
1、 输入电压DC=50V,芯片工作电压2.2-5.5V。
2、 上电不工作,一个触发按键控制,触发按键依次选择时间模式,共12个:
3、 Modle1:触发第1次开始1小时定时,指示灯LED1亮,时间到LED1 2HZ常闪。
Modle2:触发第2次开始2小时定时,指示灯LED2亮,时间到LED2 2HZ常闪。
Modle3:触发第3次开始3小时定时,指示灯LED3亮,时间到LED3 2HZ常闪。
Modle4:触发第4次开始4小时定时,指示灯LED4亮,时间到LED4 2HZ常闪。
Modle5:触发第5次开始5小时定时,指示灯LED5亮,时间到LED5 2HZ常闪。
Modle6:触发第6次开始6小时定时,指示灯LED6亮,时间到LED6 2HZ常闪。
Modle7:触发第7次开始7小时定时,指示灯LED7亮,时间到LED7 2HZ常闪。
Modle8:触发第8次开始8小时定时,指示灯LED8亮,时间到LED8 2HZ常闪。
Modle9:触发第9次开始9小时定时,指示灯LED9亮,时间到LED9 2HZ常闪。
Modle10:触发第10次开始10小时定时,指示灯LED10亮,时间到LED10 2HZ常闪。
Modle11:触发第11次开始11小时定时,指示灯LED11亮,时间到LED11 2HZ常闪。
Modle12:触发第12次开始12小时定时,指示灯LED12亮,时间到LED12 2HZ常闪。
按键循环。
4、 当选定了某个定时模式,OUT输出高电平,开始计时工作,时间到OUT停止输出,指示灯闪。工作中或定时结束时按按键开始下一个定时模式。断电重新上电,从第1模式开始选择。
5、 极限参数
ABSOLUTE MAXIMUM RATING
|
Supply voltage (Vdd)………………………… - 0.3V ~ 6.0V |
|
Input in voltage (Vin)…………………………… Vss – 0.2V ~ Vdd + 0.2V |
|
Operating ambient temperature (Topr) EC501DS, …………………………………….. -20℃ ~ + 85℃ |
|
Storage ambient temperature (Tstor) …………………… –40℃ ~ + 125℃ |
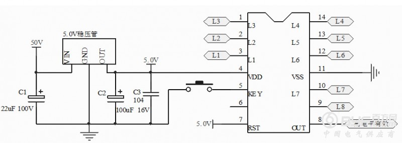
7、 参考电路图:

深圳市丽晶微电子科技有限公司提供标准品并提供开发设计:
遥控定时IC芯片方案 调光电路板定制 触摸开关台灯PCBA定制
电源稳压IC,DC/DC升压IC 电子玩具类\电子礼品类IC ASIC IC \MASK IC芯片定制
提供标准品IC芯片及满足客户功能需求的单片机方案开发定制
同时和合作企业提供COB板邦定和PCBA贴片加工,根据客戶的需求提供COB线路板和部分的电子机芯及半成品定制。
更多产品信息前往丽晶微官网: www.szecm.com

