品牌:虹润
起订:1台
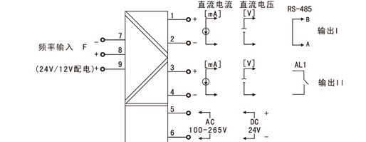
单通道(一进一出,一进两出)。
正弦波、三角波、方波等信号输入.
模拟量、RS-485、继电器接点信号输出。
幅值大于200mV。
可选择配电输出.
输入/输出/电源三隔离。
传输精度±0.2%。
模块化设计,体积小,功耗低。
全智能,数字化,可编程。
各端子可带电插拔,便于安装、维护。
概述
将频率信号经隔离整形放大后,变送隔离输出所需的信号,也可向现场的一次仪表提供电 源回路。可以与单元组合仪表及DCS、PLC等系统配套使用,给予现场仪表信号隔离、信号转换、信号分配、信号处理等,从而提高工业生产过程自动控制系统 的抗干扰能力,保证系统的稳定性和可靠性。可带液晶显示,通过红外轻触按键切换显示不同通道的参数,显示实时测量值、理论输出值、单位及通道号。












