对于维修电工来说, 无论是从事机械还是电气维修的人员,多多少少的都遇到过人到现场,出现故障的设备又能运转起来,人离开现场后,故障又会再次出现发生了。这就是人们常说的电气软故障,或叫隐藏性暗故障。对于这种神经病时好时坏的软故障,维修人员都比较头痛,主要是无从判断和下手。或开始检查维修时,故障又消失不在了。
下面就常见的软故障是有哪几方面引起的来分析一下。
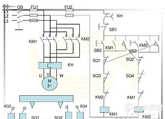
我们就以自动往返电气控制为示例,看看这个电路的软故障有哪些:

1、电气元器件的常闭触点引起的软故障图中所用按钮、行程开关都是机械式的,由于是机械式的长期且频繁使用,会使复位弹簧疲劳或损坏,导致常闭触点复位不到位,引起常闭触点接触不良,两端产生较大压降,使接触器线圈电压远低于额定电压,低于额定电压85%以下,接触器就不能吸合了,或者发出刺耳滋滋声!故障较高的是两个换向行程开关SQ1、SQ2最频繁动作和三个按钮SB1、SB2、SB3较频繁动作。对于敞开式行程开关,灰尘、油污常会粘连在触点表面,引起触点接触不良。另外互锁电路里接触器用于互锁的常闭触点,因接触器频繁切换,也会引起触点接触不良。
2、连接电缆或导线引起的软故障对于有悬挂按钮柜机的连接电缆或导线,因长期摆动,电缆或导线易被折断,特别是导线折弯处和按钮进线口处。另外随机械部件移动的导线也易折断。由于导线在折断时未完全分离。会造成接触时分离现象。
3、导线与电气元器件连接点引起的软故障导线与电气元器件连接点因长期震动,电气元器件接点螺丝松动,引起导线接头与电气元器件连接点接触不良(如接触器常闭、常开接点;端子排;按钮、行程开关等)。
4、其他如操作者长期带着工作手套操作,手套上的污垢从停止按钿缝隙进入内部,污垢积累使停止按钮复位行程变短,造成常闭点接触不良等等。当然,可能还有别的原因,总之接触不良是软故障的主要原因,它会导致执行器件因低于其额定电压或电流太多而不能运行。
检查软故障的方法一般用敲打法、摆动电缆电线、摇一摇、轻轻拽一下、或者用测量工具电压测量、通路测量。还有就是行之有效的短接法,短接法初学者或对线路不了解要慎用。
从事电气自动化控制电路维修的人员,不管是新手,还是老手。对于软故障,时常会在维修过程中,用自己的固有的逻辑判断思维和分析,老手总是凭经验认为某设备的个体部件的电气故障,是某种原因引起的。而新手基于元器件作用认识不够及电气工作原理模糊,都会导致了在维修软故障过程中钻牛角尖,进入了自己设的局,即所谓进入了死胡同。而一旦走进死胡同,一时就会无法走出。
出于这种状况一般基于电气控制电路的软故障和非原理性故障较多。软故障表现在故障时有时无特性,因此故障较难解决。而非原理性故障是无法用发生故障的设备电气控制工作原理解析通的。

广大的电力工友们,你们在工作中又遇到过那些奇葩的电气软故障呢?在评论区分享出来让大家也一起学学吧!“你会的也许就是别人正需要的!”
