
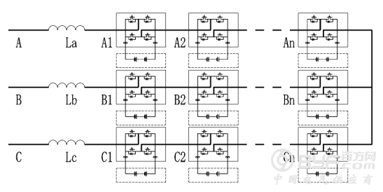
高压直挂储能电路图
单个储能电池电芯直流电压最高不超过4V,通常用于储能的电池系统直流电压在600-800V,PCS如何不经变压器直接接入3kV及以上电压等级电网,首要解决电压匹配问题。
智光储能推出的高压直挂储能系统,由电池组与单相PCS模块构成的储能单元(H-Cell,如上图A1)组成,利用电压叠加原理实现高压直接输出。H-Cell电池组直流电经单相PCS转换成几百伏的交流电;多个硬件结构完全一致的单相PCS交流侧串联构成单相高压储能装置,产生与电网电压匹配的单相高压交流电;三组硬件结构完全一致的单相高压储能装置Y接构成三相高压储能装置,即直接输出与电网电压匹配的三相对称高压交流电。

并网的电源设备必须满足严格的谐波指标要求,避免造成电网谐波污染,威胁电网正常运行。一般而言,电力电子装置开关频率越高,输出谐波性能越好,但是随着开关频率升高,装置发热量增大,运行效率和稳定性恶化。高压直挂储能系统采用载波移相控制算法,可以达到提高系统效率,降低输出谐波的目的。单个H-Cell工作在较低开关频率f下,N个H-Cell的输出电压移相叠加以后,系统输出线电压等效开关频率为2Nf,等效开关频率增加2N倍,因此高压直挂储能系统可以使功率器件(IGBT)工作在较低开关频率下,输出近似正弦波的低谐波交流电,无需专门的滤波器处理即可满足接入公共电网的谐波指标要求。

智光高压储能装置谐波测试值
储能电池成本高昂,其循环寿命通常只有几千次,提高储能系统的整体效率,可显著提高系统的经济性。广州智光储能科技有限公司推出的高压直挂储能系统,省去了储能并网变压器和滤波装置,使系统整体效率提高2%左右。以循环寿命6000次,2MW/2MWh的系统为例,系统整体效率提高2%,即一次充电过程少消耗40.8kWh电能,一次放电过程少消耗40kWh电能,因此电池全寿命周期内运行成本(充电消耗减少)可减少244.8MWh,运行收益(放电消耗减少)可增加240MWh,综合效益提升484.8MWh。

智光高压直挂储能装置效率
受制造工艺误差、使用环境差异等因素影响,即使同一批次生产的两个单体电芯,其性能也不可能完全一致,因此对于电池输量庞大的MW级电池储能系统,电池均衡控制尤其重要。传统MW级储能系统基本都采用电池被动均衡技术,受电池数量庞大、单电芯容量大等因素影响,难以有效使用电池主动均衡技术,电池“木桶效应”明显。
智光高压直挂储能系统每个H-Cell输出功率均可进行有效控制,易实现相内和相间H-Cell主动均衡控制。相内均衡控制——由于相内H-Cell为串联结构,每个H-Cell的输出电流相同,输出电压可存在差异,通过对总输出电压在相内各H-Cell间的再分配,即实现输出功率再分配,达到相内H-Cell间电池主动均衡的目的。相间均衡控制——由于系统采用Y接法,不存在零序电流通路,因此可以在需要的时候注入安全范围内的零序电压分量,在各相间附件额外功率,实现相间均衡控制,而不影响系统总输出功率。
