无论是处理高电压、高温、线路隔离,还是应对最低负载要求和极高动态范围的电压测量,操作都相当有难度。本文将介绍建立一个安全的测试站所需的条件,包括实现输入功耗控制、线路隔离、宽动态范围电压测量和可编程负载控制所需的各类器件。
SMPS 测试安全问题
开关模式电源 (SMPS) 能在最短的转换时间内打开和关闭高电压,从而降低功率损耗。典型的线路供电型 SMPS 存在若干安全相关问题。

这是一个采用反激式拓扑结构的线路供电型电源。该电路的初级侧以黄色突出显示,对线路(电源)输入进行全波整流并将其应用于初级轨。这意味着若使用 120 伏线路,高压轨和低压轨之间出现的电压电平约为 340 伏,若使用 240 伏线路,该值会高于 670 伏。使用 15 伏以下电压的技术人员和工程师可能需要知悉,这些电压可能会致命,所以使用这些器件时必须格外小心。
此整流线路电压将存储于初级储能电容器 C2 上。也就是说,即使将该电源与线路断开,储能电容器上所存储的电荷还是有风险。进行故障排除前,应将电源与线路断开连接,并利用电阻器小心谨慎地对主要储能电容器放电。
开关 FET Q2 会在高压轨和低压轨之间切换。即使以高效方式运行,此晶体管也会变得很热,而且它通常会被安装在散热器上。散热器周围的测试操作员应谨慎行事,以防被烧伤。
请注意,该电源的初级和次级区段会采用反激式变压器 L2 和光隔离耦合器 Q4 进行电隔离。次级区段在负极 (-) 输出端接地,初级区段不接地。若使用接地输入仪器(如示波器)进行故障排除,这种接地方式便有问题。将示波器探头的接地连接端与电源初级侧的元件连接可能会导致短路,而且还会损坏主要元件和示波器。
SMPS 通常需要满足一定的最低负载要求才能运行;若负载不得当,电源通常会关闭。
还有一点,鉴于使用的电压之高,故障模式通常会导致严重的后果。例如,短路的桥式整流器 (D1-D4) 可能会向主要储能电容器施加线路电压,进而导致电容器通过排气孔排出电介质,甚至会直接引发爆炸。所以,设计 SMPS 期间可能会出现喷出物。
安全的 SMPS 测试设置
SMPS 测试套件应使用若干常用器件来最大限度地减少安全问题。

隔离变压器主要用于对 SMPS 的初级区段进行电气隔离。一经隔离,便可与初级电路中任意部分的探头接地端连接。这样初级电路便不会发生短路。若隔离变压器(例如 Bel Signal Transformer,型号 DU-2)同时具备初级和次级绕组,则可将其连接至 120 伏或 240 伏标称输入。它可在 240 伏的电压下提供 9 安培 (A) 的电流,亦可在 120 伏 (2 kVA) 的电压下提供 18 安培 (A) 的电流。额定功率高达 10 kVA 的隔离变压器极为常见。
自耦变压器可用于缓慢升高施加于测试器件的线路电压。执行此操作时需监控输入电流,这样便能在灾难性故障出现之前发现故障元件。Staco Energy Products 型号为 3PN1010B 的产品是一款典型的自耦变压器,可在 0-140 伏 (1.4 kVa) 的电压下提供高达 10 A 的电流。请注意,自耦变压器不提供线路隔离,所以必须与隔离变压器配合使用才能实现该功能。
如前所述,对 SMPS 进行测试需使用负载。最常使用的负载为非感应式电阻器,但请注意,阻性负载组也可能变得很热,所以应加以防护以免意外接触。电子负载是能够替代固定阻性负载组的替代方案,其负载可变。运行负载调节和输出电流折返等测试时,负载的控制能力非常重要。如果需进行自动化测试,则可编程功能会是特别重要的考虑因素。
B&K Precision 型号为 8514 的产品是一款额定功率为 1200 W 的典型电子负载,它可通过 USB 进行编程,在 0.1-120 V 的输入电压范围内以恒定电流、电压、电阻或功耗模式运行。电子负载还能模拟随时间而变化的动态负载。
8514 采用的安全外壳为测试器件和测试操作员之间提供一道物理屏障。它能在发生爆炸事故时保护附近的操作员。外壳还可进行专门配置以冷却测试器件和阻性负载组(如有使用)。此类装置通常可快速连接测试器件和断开连接。
线路隔离
单相交流线路具有热线和中性线。中性线在配电系统中接地,但在电源处可能仍高于地电位几伏电压。这会导致该电源的初级区段没有接地参考。将接地示波器探头与初级电路的任意点连接都可能导致短路。
很多技术人员和工程师都试图通过移除示波器的接地连接和使示波器“浮动”来解决此问题。这种做法极其危险,因为它会使示波器外壳处于高出地电位几百伏的环境。接触示波器的任何人员都可能触电身亡。
浮动示波器的替代方案是使用隔离变压器,相关连接如图 2 所示。这样便能将测试电源与交流线路分开。使用隔离变压器后,可在初级电路中的任意点进行接地连接,并将该点作为接地参考。
虽然采用这种方法可以进行电压测量,但使用专为测量高电压而设计的差分探头会更合适。差分探头具备两个输入端(都不接地),可测量输入端之间的电压差。只要用一个输入端的电压减去另一端的电压便能算出电压差。

差分探头的差分测量会衰减两个输入端共有的任何电压信号(称为共模信号)。共模信号的衰减量是差分探头的品质因数,被称为共模抑制比 (CMRR),以分贝 (dB) 表示。
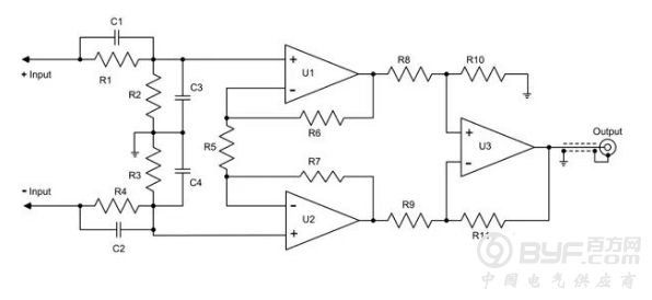
高压差分探头在匹配差分输入之前使用高衰减来测量高压。如图 3 所示,电阻器 R1 和 R2 会形成一个补偿衰减器,而电阻器 R3 和 R4 又会形成另一个。将衰减器的输出施加至采用三个运算放大器的差分放大器的输入端。只要认真匹配元件和确保对称的 PCB 布局,便能获得较准确的 CMRR。
CMRR 非常重要,因为 SMPS 中的电压测量可能需要高动态范围。电源的初级侧持续转换 340 伏电压,并且转换时间相对较快。这些信号可辐射至整个器件。试着测量电源 FET 上的栅极驱动信号。此信号低于 10 伏,受到这些高压共模信号的影响,很难看到。使用具有较高 CMRR 的差分探头可抑制干扰信号。
诸如 Cal Test Electronics 型号为 CT3681 的探头运用了 X100 或 X1000 用户可选衰减特性。这些探头的最大额定电压为 700 V (X100) 或 7 kV (X1000),CMRR 在 50 Hz 和 20 kHz 时分别为 -80 dB 和 -60 dB,带宽为 70 MHz。这类探头的优势在于在输出端使用标准 BNC 连接器,而非专有探头接口,这使得它们可与所有示波器兼容。

尽管线路供电型 SMPS 极为流行和实用,但在测试期间还是会存在安全问题。不过如文中所述,只要结合可靠的工程实践并采用常用元件(如隔离变压器、自耦变压器、电子负载和差分探头),便能显著降低这些风险。