内容说明
本发明涉及一种超低功耗高精度标准数字温度计稳定电路及误差校正方法。
发明背景
当前用作中温范围( -60~ 300 )℃的标准温度计主要有2种形式:采用标准玻璃水银温度计,但是标准玻璃水银温度计由于其精度低、示值影响因素多、使用不方便、易粹、有毒等缺点,特别是2013年10月9日~12日,我国参加并签署了《关于汞的水俣公约》,根据该公约全世界所有成员国到2020年将全面禁止包括水银温度计等含汞产品的生产和销售,因此,标准水银温度计必将面临淘汰并退出温度量传系统。采用高精度温度测量仪表( 表头)匹配标准铂电阻传感器组成标准数字温度计,这种标准数字温度计虽然克服了标准玻璃水银温度计的很多缺点,但其自身也存在以下缺点:a、采用交流电时,不仅不方便,且电磁干扰更容易对示值造成影响;b、环境温度要求较高,一般的中温实验室环境常常达不到要求,现场和户外的使用就更加困难了;c、误差指标只局限于匹配标准铂电阻,当匹配工业铂电阻时,其整机误差就完全被传感器的误差所决定,高精度的表头便失去了作用;d、有些是单通道,不能测量恒温槽温场,附加用途小;e、由于标准铂电阻外形尺寸较大(相比精密工业铂电阻),使其不能用在较小空间的温度测量。
针对现有标准数字温度计存在的缺点,本发明人曾发表了一篇“提高智能仪表整机准确度的一种软件校正方法”的论文,主要讲述了如何利用软件来对传感器的固有误差进行校正,但是经过更深入的研究后,本发明人发现环境温度、电路干扰、电流变化等对仪表精度的影响也很大,因此提出了本发明方案,进一步把匹配工业铂电阻的数字温度计整机准确度提高到标准级的精度。
发明内容
本发明要解决的技术问题,在于提供一种超低功耗高精度标准数字温度计稳定电路及误差校正方法,通过使用稳定电路及对传感器潜在精度进行挖掘,使数字温度计即使匹配工业铂电阻也能达到标准级的精度,且功耗超低,并增加了数字温度计的应用场合,在( 5~50 )℃范围的环境温度下使用时,测量精度将不受环境温度影响,并可以用于恒温槽温场、微小温差测量等场合。
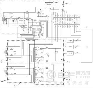
本发明要解决的技术之一是这样实现的:超低功耗高精度标准数字温度计稳定电路,所述稳定电路包括:高稳定度恒流源模块、模拟开关IC103、传感器、输入模块、双运放差分前置放大模块、模数转换器IC5及单片机IC7。

图为本发明超低功耗高精度标准数字温度计稳定电路的电路结构图
本发明中所述高稳定度恒流源模块包括低温漂基准电压I C1 01、低功耗零温漂放大器IC102、电阻R19及电阻R25,所述低温漂基准电压IC101的输入端连接至所述低功耗零温漂放大器IC102的正电源端,该低功耗零温漂放大器IC102的正电源端又分别连接至所述电阻R25和所述模拟开关IC103的引脚2、引脚14,所述电阻R25的另一端还连接一稳定电源,所述低温漂基准电压IC101的公共端连接至所述低功耗零温漂放大器IC102的负电源端,所述低温漂基准电压IC101的输出端依次通过电阻R101、电阻R103连接至所述低功耗零温漂放大器IC102的同相输入端;所述低功耗零温漂放大器IC102的反相输入端依次通过电阻R104、电阻R106连接至所述模拟开关IC103的引脚9,所述模数转换器IC5的引脚9通过电阻R125与所述电阻R106连接,所述电阻R19与所述电阻R106和电阻125的共用端相连接,所述低功耗零温漂放大器IC102的输出端通过电阻R126连接至所述模拟开关IC103的引脚8。
所述传感器包括第一通道传感器PTD1及第二通道传感器PTD2;所述第一通道传感器PTD1的两端分别与所述模拟开关IC103的引脚4和引脚13连接,所述第二通道传感器PTD2的两端分别与所述模拟开关IC103的引脚5和引脚12连接,且所述第一通道传感器PTD1及第二通道传感器PTD2均与所述电阻R19构成比例测量电路,该第一通道传感器PTD1与第二通道传感器PTD2还连接所述输入模块;所述模拟开关IC103的引脚1及引脚16还连接至所述单片机IC7;输入模块直接或通过所述双运放差分前置放大模块连接至所述模数转换器IC5;模数转换器IC5的引脚24至引脚27连接至所述单片机IC7。
本发明要解决的技术问题之二是这样实现的:超低功耗高精度标准数字温度计误差校正方法,所述方法包括以下步骤:将固有误差的校正值保存到传感器中并利用软件对测量值进行自动修正:利用实时校正法、证书校正法或自我溯源法对传感器进行校正并形成校正记录,同时将该校正记录保存到传感器中;之后利用保存在传感器中的校正数据计算出测量值x的修正值c,同时引入环境温度补偿:环境温度t对测量值x的影响。
本发明具有如下优点:首先,对传感器的固有误差进行了校正,充分挖掘了传感器的潜在精度,实现了即使采用工业铂电阻传感器也能达到标准级精度;对环境温度进行补偿,使得数字温度计的应用场合更宽广,且在( 5~50 )℃范围的环境温度中使用时,测量精度将不受环境温度影响;同时,采用高稳定度硬件电路,使电流变化对示值影响大大减小了,且功耗超低,整机功耗电流小于2mA;精度较高,且采用双通道,可用于恒温槽温场或微小温差的测量。









