
1 常用仪表电机驱动芯片特点及性能比较
国内常用的仪表步进电机驱动芯片包括瑞典SWITEC公司的X12.017、伟盈集团生产的VID66- 06和美国飞思卡尔公司生产的MC33991等。
1.1 X12.017与VID66- 06的主要特点
SWITEC公司生产的X12.017在国内应用较广,可以同时驱动4路十字线圈步进电机。VID66- 06控制方式和X12.017完全相同,其各项性能参数也基本相同。它们的主要特点如下。
a.以微步驱动,每个脉冲对应电机输出轴转动(1/12)°。
b.每个电机只需要速度和方向2个控制端。
c.所有输入脚都有干扰过滤器;低电磁干扰辐射。
d.工作温度在- 40~105℃;工作电压4.5~5.5 V.
这种驱动器控制简单,输入信号CW/CCW控制步进电机的转动方向,输入信号F( scx)的上升沿驱动电机转动一个微步。通过发送脉冲的频率可以控制电机的转动速度。
1.2 MC33991的主要特点
MC33991是单独封装,通过SPI (串行外设接口)进行通信,可同时控制2个步进电机的驱动电路。该电路也可以仿照气隙磁通的运动,把普通电机转化为步进电机来控制。它有以下主要特点[3].
a.有4 096个静态指示位置,接收位置命令后驱动指针指示。
b.最大指针扫过范围340度;最大指针速度为400 deg/s;最大指针加速度为4 500 deg/s.
c.应用微步距控制技术(每步细分为12个微步)。
d.指针回零校准,能准确地回零。
e. 16位SPI ( Serial Peripheral Interface) ,通信占用较少的I /O口。
f.内部时钟校准功能;睡眠模式下的耗电量较小。
g.工作温度- 40~125℃;供电电压范围6.5~26 V。
MC33991可设定步进电机最大转速。其具有内部状态机,保证在正常操作时,驱动器接收到位置命令后,以恒定加速度到达最大速度,然后在合适的时间减速,并保证减速过程中不超过最大减速度,到达指定位置后速度等于零,避免指针抖动。此外, MC33991可以允许2个步进电机或其中之一工作。其内部诊断功能可诊断单个步进电机是否过热、电池电压过高或者过低、指针归零状态驱动器内部时钟的工作状态、确定仪表的指针是否在转动。由以上性能特点可以看出, MC33991比X12.017和VID66-06功能更丰富,如过电压和过热诊断功能、回零校验功能。且使用X12.017和VID66-06作为驱动时,为使仪表指针运行平滑,必须在微控制器程序中对步进电机速度进行细分,否则容易产生超调抖动。
2采用MC33991的汽车车速表设计
汽车在行驶过程中,汽车车速传感器产生频率与汽车车速成正比的脉冲信号,此脉冲信号经过滤波放大后送给微控制器,微控制器利用输入捕捉通道捕捉2次脉冲信号的间隔时间,并根据间隔时间计算汽车行驶速度。最后,微控制器把计算得到的速度转换成位置命令发送给MC33991, MC33991驱动步进电机指向对应的刻度。
本设计选用微控制器MC68HC908GR16作为主控芯片,采用SWITEC公司生产的仪表用步进电机X15.288作为执行器。MC68HC908GR16是飞思卡尔半导体公司生产的8位微控制器,片内具有16 KBFLASH存储器和1 KB RAM存储器。其内部锁相环( PLL)可以把外部32.768 kHz晶振频率升频至8 MHz内部总线频率。微控制器内部集成了增强的串行通信模块( ESCI)、8路10位A/D模块、SPI模块、8位键盘模块,拥有2个独立的16位定时器,每个定时器都由1个定时计数器和2个输入输出通道组成。其内部还集成了定时基模块,可以定时把微控制器从STOP模式中唤醒。
MC33991内部有6个寄存器,微控制器通过发送16位的SPI命令到这些寄存器来控制并读取MC33991的工作状态。16位SPI数据的15~13位是地址, MC33991接收到微控制器的命令后,把命令的15~13位与这些地址对比,并把数据放到对应的寄存器。这些寄存器的地址与功能如表1所列。微控制器通过这些寄存器来控制电机的最大速度、指针位置、指针回零,并读取电机的运行状态、线圈是否过热、电压是否过高或过低。
2.1硬件电路设计
硬件电路包括速度传感器信号调理电路、微控制器与MC33991的接口电路。
2.1.1速度脉冲检测电路
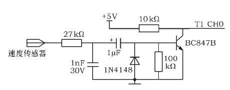
车速传感器把车速信号转化为脉冲信号,其频率与车速成正比。此脉冲信号经过调理电路送给单片机的T1 CH0 ( Timer 1 channel 0) ,速度脉冲的调理电路如图1所示。在没有脉冲信号输入时,三极管集电极和发射极关断,脉冲调理电路输出高电平。有脉冲输入时,三极管导通,调理电路输出跳变到低电平。
2.1.2 MC33991接口电路
微控制器MC68HC908GR16与MC33991利用串行外设接口SPI通信。微控制器、MC33991和仪表用步进电机的接口电路如图2所示。

表1 MC33991内部寄存器

图1 速度传感器信号调理电路图

图2 MC33991与MCU接口电路图
MC68HC908GR16的SPI时钟引脚SPSCK、主机数据输入从机输出引脚MISO、主机数据输出从机输入引脚MOSI和I /O引脚PTC5, 分别接MC33991的SCLK、SO、SI、CS引脚, RSTB引脚与单片机的RST引脚连接。
2.2 软件设计
2.2.1 SPI通信程序
微控制器MC68HC908GR16 上电后要初始化MC33991。MC68HC908GR16的SPI设为主模式。发送数据的格式要符合MC33991接、发数据的时序,MC33991收发数据的时序如图3所示。SPI无数据传输时CS=1, 时钟信号保持低电平。有数据传输时,MC33991的SI引脚在SCLK时钟的下降沿读入1位数据, 而输出引脚SO在时钟的上升沿输出数据。设MC68HC908GR16的SPCR寄存器时钟极性位COPL=0,时钟相位控制位CPHA=1。设引脚PTC5方向寄存器DDRC5=1, 设为输出。不与MC33991通信时令PTC5保持高电平。MC33991每次接收的数据必须是16,32, 48?位。
2.2.2 MC33991初始化流程
MC33991的初始化流程图如图4所示。微控制器先向PECCR发送命令关闭步进电机, 并在2个电机停止转动的情况下发送时钟校正命令。经过时钟校正后, MC33991内部时钟稳定在1 MHz ( ±10%) ,校正时钟后使能电机, 可允许2个或者其中一个工作, 然后向寄存器RTZCR发送命令设置指针回零速度, 向VECR寄存器发送命令控制电机的最大转速。如果步进电机回零时指针不在一个整步位置或者磁场排列没有对齐, MC33991回零检测会发生错误,导致回零失败。所以在发送电机回零命令前, 先使电机前进24微步或者30, 36, 42?微步, 以保持磁场排列整齐, 然后发送指针回零命令, 指针转向电机的逆时针极端。每一时刻只能有一个指针回零,微控制器检测回零状态直至回零结束。
初始化时需要注意, 时钟校正可选为1 MHz,单片机发送完时钟校正命令后拉低引脚, 延时8 μs后再将其拉高。如果电机的齿轮减速比较低则选择0.667 MHz, 这种情况需要延时12 μs。
2.2.3 车速检测
MC33991初始化后设MC68HC908GR16的定时器1通道零为输入捕捉模式, 在输入脉冲的下降沿进入捕捉中断, 并计算2次下降沿的计数差值Δt。本设计的车速仪表盘的最大车速为120 km/h,最高速度与最低速度对应刻度盘的夹角为225 °, 对应MC33991的静态指示位为2 700。
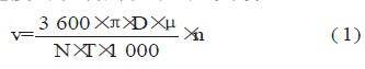
汽车行驶速度可以利用以下公式计算
式中: n———2次速度脉冲间隔内计数器的计数值之差; T———微控制器计数器时钟源的周期;D———车轮外径; μ———汽车轮胎变形系数( 一般取0.93~0.96) ; N———车轮转一周, 车速传感器发送的脉冲数。
微控制器根据计算得到的速度在仪表盘上的位置, 计算出MC33991的静态指示位置, 并把静态指示位发给MC33991, MC33991驱动仪表指向指定位置。为加快程序运行速度, 先根据车速、汽车车速仪表盘的参数计算出一个常数Con。
式中: vmax———汽车仪表盘指示的最大速度;C———用于调整指针指示误差的常数。其中C用来调整车速表的指示位置, 使仪表指示速度不小于汽车的实际速度。车速表指针应指向的位置P0=Δt /Con, 由微控制器直接向MC33991发送此位置( P0) 命令, MC33991接到位置命令后即控制仪表电机旋转, 指向刻度盘的对应位置。
3 结束语
本文详细介绍了一种汽车车速表的设计方案,设计采用专用集成驱动芯片MC33991。此表在试验台运行测试时, 指针可以平滑转动, 在加速度较高时也没有超调抖动。与传统机械式仪表相比 本文详细介绍了一种汽车车速表的设计方案,设计采用专用集成驱动芯片MC33991。此表在试验台运行测试时, 指针可以平滑转动, 在加速度较高时也没有超调抖动。与传统机械式仪表相比, 这种仪表响应速度快、抖动小、产品的稳定性和可靠性高。与采用其它驱动芯片的步进电机式仪表相比,首先此表占用硬件资源少, 控制方便, 仪表响应快; 其次能从任意位置以设定的速度恒速回零, 到达零点时无抖动; 最后仪表转动时, 微控制器可以随时通过MC33991读取步进电机的工作状态。